Opuske.ru
  • Mitsubishi
  • Toyota
  • Chevrolet
  • Honda
  • VW
  • Skoda
  • Подписка на рассылку
    Главная › Volkswagen › Polo › Страница 6
    Polo
    Описание рулевых тяг, рулевых наконечников на Volkswagen Polo
    Описание рулевых тяг, рулевых наконечников на Volkswagen Polo
    Описание деталей сцепления на Volkswagen Polo
    Описание деталей сцепления на Volkswagen Polo
    Стук двигателя Volkswagen Polo
    Стук двигателя Volkswagen Polo
    Диагностика и самодиагностика Volkswagen Polo
    Диагностика и самодиагностика Volkswagen Polo
    Описание форсунок на Volkswagen Polo
    Описание форсунок на Volkswagen Polo
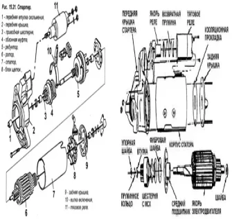
    Проблемы со стартером и их причины на Volkswagen Polo
    Проблемы со стартером и их причины на Volkswagen Polo
    Передние тормозные колодки Volkswagen Polo
    Передние тормозные колодки Volkswagen Polo
    Все о багажнике Volkswagen Polo
    Все о багажнике Volkswagen Polo
    Заднее стекло на Volkswagen Polo
    Заднее стекло на Volkswagen Polo
    < 1 … 3 4 5 6 7 8 9 … 17 >
    • Аккумулятор
    • Воздушный фильтр
    • Генератор
    • ГРМ
    • Датчики
    • Диски
    • Комплектации
    • КПП
    • Магазины
    • Масляный фильтр
    • Подвеска
    • Предохранители
    • Производители
    • Решение проблем
    • Салонный фильтр
    • Свечи
    • Стартер
    • Технические жидкости
    • Топливный фильтр
    • Тормозная система
    • Тюнинг
    • Шины
    • Щетки стеклоочистителя
    • Тормозные диски
    • Тормозные колодки
    • Шаровая опора
    Наши обзоры
    Как бесплатно сделать диагностику ходовой части авто?
    Как бесплатно сделать диагностику ходовой части авто?
    Показать другой товар
    Виртуальный гид по выбору автозапчастей
    © Opuske.ru 2016–2025
    • О сайте
    • Авторские права и правила
    • Политика конфиденциальности
    • Пользовательское соглашение
    • Рекламодателям
    Копирование материалов разрешено только с указанием активной ссылки на первоисточник